Chronicle of Baug E Hasan

Baug E Hasan rera registered project is located at Krushnagar, Bhavnagar. at Krushnagar, Bhavnagar. Baug E Hasan project is being developed by . Rera number of Baug E Hasan project is PR/GJ/BHAVNAGAR/BHAVNAGAR/Others/RAA11569/060423. As per rera registration Baug E Hasan project is started on date 2022-02-15 and planned to complete on or before date 2024-06-30.
Brochure of Baug E Hasan project is available for download.

Project Summery of Baug E Hasan

Social Media
Rera No

PR/GJ/BHAVNAGAR/BHAVNAGAR/Others/RAA11569/060423

Unit Details of Baug E Hasan

Type Carpet Area (sqft)
1

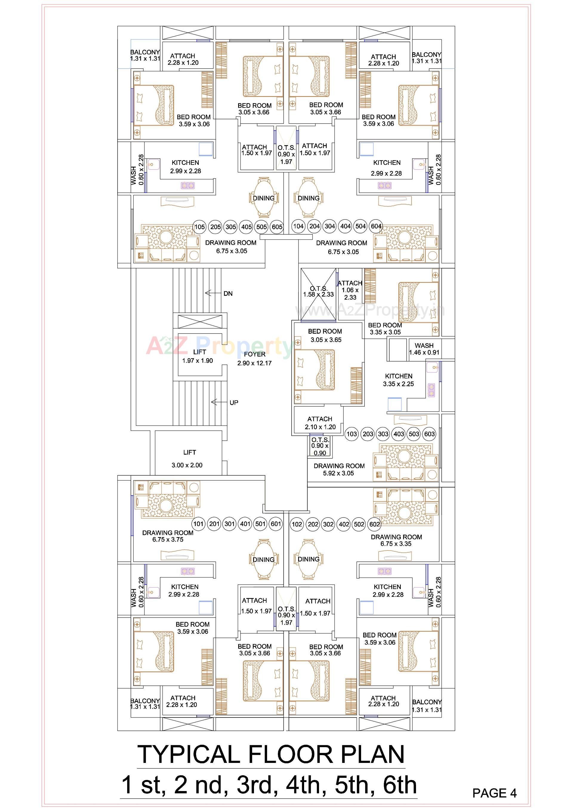
Layout Plan

E-Brochure

Map Location of Baug E Hasan

Project Details

Address

Baug E Hasan

Plot No. 393, C.s. No.1762,

Email

baugehasan@gmail.com

Share on
Promoters

Rera No

PR/GJ/BHAVNAGAR/BHAVNAGAR/Others/RAA11569/060423

Start Date

2022-02-15

End Date

2024-06-30

Area of Project

842.78

District

Bhavnagar

State

Gujarat

Project Type

Residential/Group Housing

Architect

HEMAL BHATT

Structure

SUNIL A VASA

Disclaimer

The details displayed here are for informational purposes only. Information of real estate projects like details, floor area, location are taken from multiple sources on best effort basis. Nothing shall be deemed to constitute legal advice, marketing, offer, invitation, acquire by any entity. We advice you to visit the RERA website before taking any decision based on the contents displayed on this website.

Projects in krushnagar

Projects in Bhavnagar